Jméno: CALEFFI S.p.a.
Adresa: S.R. 229, n. 25, 28010 Fontaneto d'Agogna (NO) Italy
E-mail: info@caleffi.com
Webová stránka: https://www.caleffi.com/de-de
Evropský výrobce: Ano
Pojistný ventil diferenciálního tlaku je skladem a bude odeslán, jakmile bude opět dostupný
Doba zpracování je obvykle 1 pracovní den. Dodací lhůta pro balíky je 1–3 pracovní dny. U zasilatelství je dodací lhůta 3–5 pracovních dnů. Dodací lhůty mimo Německo se liší.
Maximální provozní tlak: 10 barů. Průměrný teplotní rozsah: 0–100 °C. Maximální obsah glykolu: 30 %. Médium: Voda a roztoky glykolu.
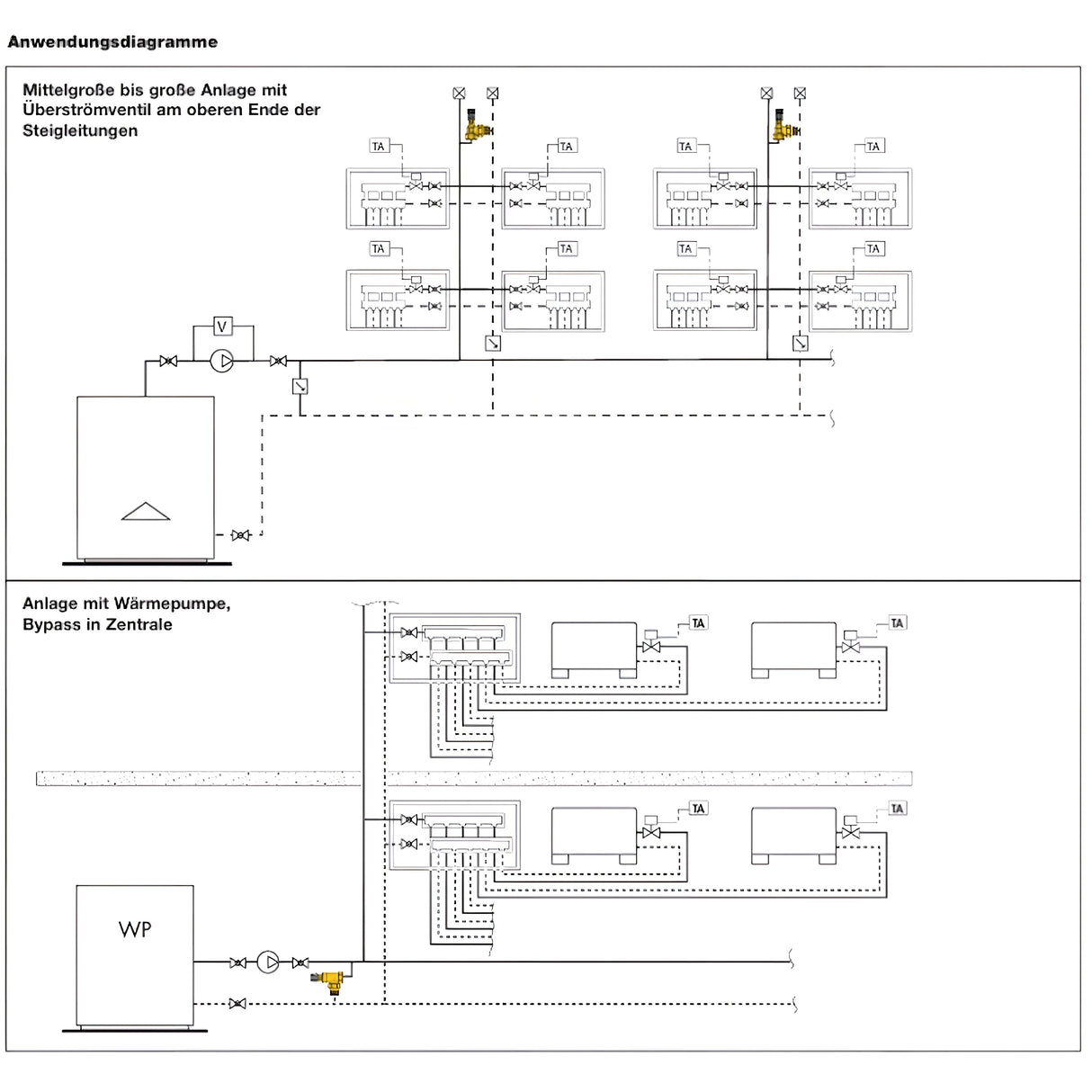
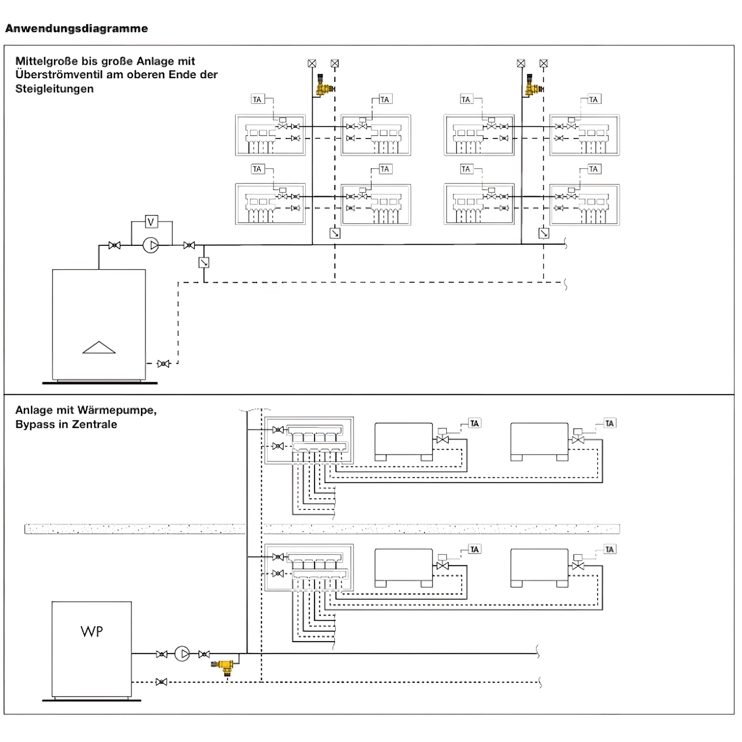
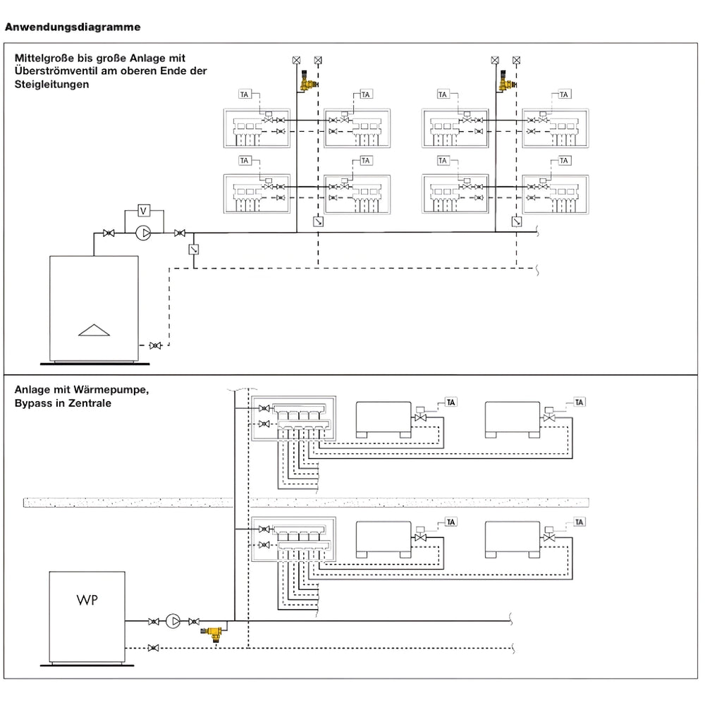
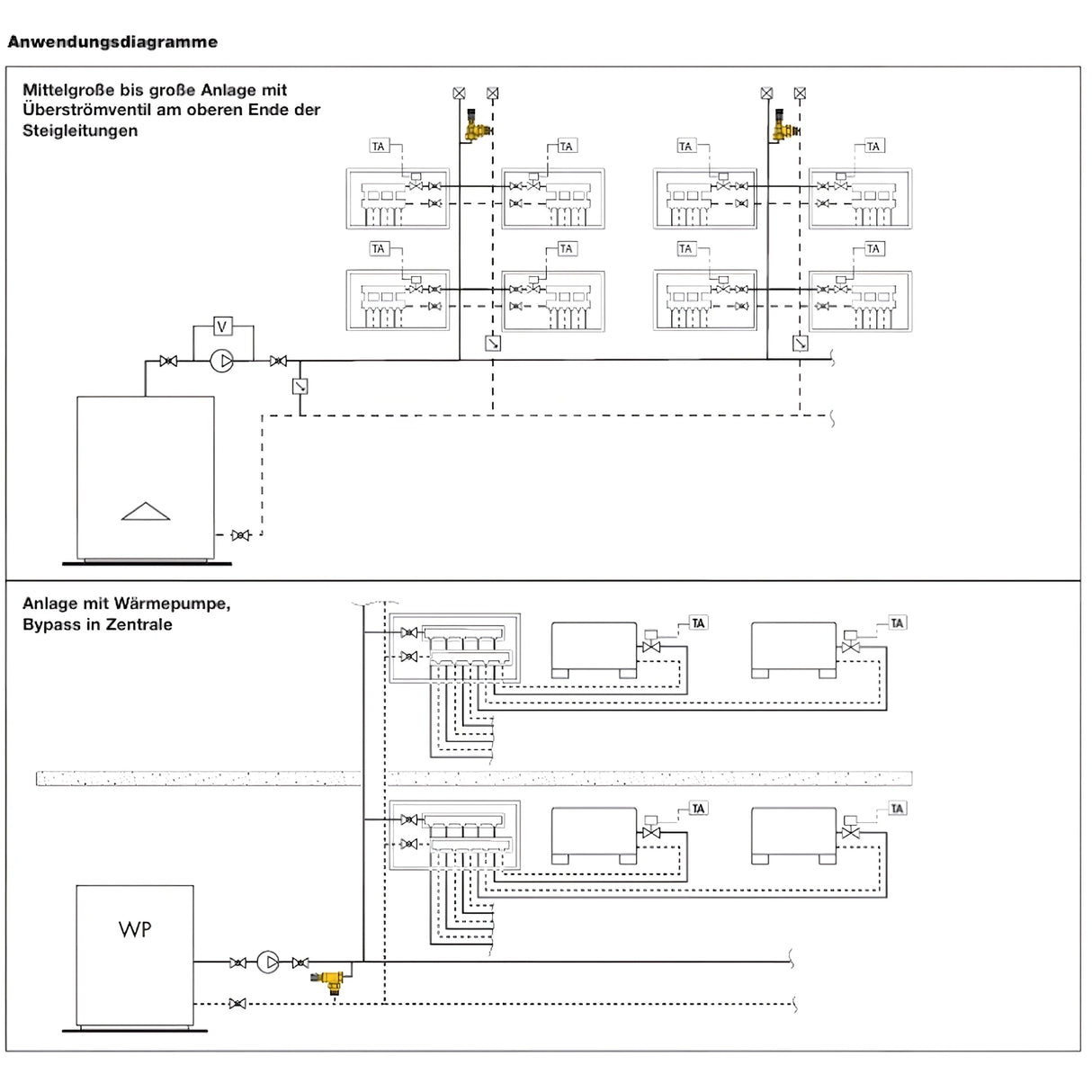
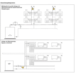
Obtokový ventil diferenčního tlaku zajišťuje řízené vracení průtoků v systémech s kolísavými stavy spotřebičů. Omezuje diferenční tlak generovaný čerpadlem a vrací přebytečný objem proporcionálně k počtu uzavřených spotřebičů.
Zejména v systémech s tepelnými čerpadly nebo oběhovými čerpadly s regulací otáček zajišťuje ventil požadovaný minimální průtok nezbytný pro správný provoz stroje a pro prevenci poruch a přehřátí.
Plynulé nastavení pomocí viditelné stupnice umožňuje přesné přizpůsobení vypočítaným tlakovým podmínkám systému. Při uvádění do provozu by se nastavení mělo provést na základě charakteristické křivky čerpadla a požadovaného limitu diferenčního tlaku.
Jemné doladění během provozu umožňuje optimalizaci chování systému při měnícím se zatížení; nastavení se ukládá pro pozdější kontrolní měření.
Ochrana čerpadla a regulačních komponent omezením maximálního diferenčního tlaku, snížením hladiny hluku a delší životností systému. Stabilnější hydraulické podmínky zlepšují regulační chování a účinnost.
Ventil by měl být instalován na vhodném místě ve zpětném potrubí, přístupném pro kontrolu a seřízení. Sítko před ventilem zvyšuje provozní spolehlivost a snižuje opotřebení.
Doporučují se pravidelné vizuální a funkční kontroly, stejně jako kontrola obsahu glykolu a těsnění. Pro případ mrazu je nutné přijmout vhodná ochranná opatření.
Vhodné pro systémy vytápění, chlazení a tepelná čerpadla s proměnným průtokem. Obzvláště užitečné v systémech s více spotřebiči, pohony nebo čerpadly s regulací otáček pro zajištění minimálního průtoku a omezení tlaku.
Možnosti platby
Vaše platební údaje jsou zpracovávány bezpečně. Neukládáme ani nepřistupujeme k informacím o vaší kreditní kartě.